42.jp
Maison / À propos de nous / Installations

Installations

Après 40 ans d'innovation technologique, notre gamme d'équipements de production a été mise à jour chaque année, par exemple, la découpe laser de tôles d'acier, le chanfreinage intelligent, le laminage numérique à grande échelle, du laminage machine, le soudage intelligent des cylindres et des poutres de châssis, l'usinage à grande échelle, l'assemblage d'unités spécialisées jusqu'à l'assemblage final ont été développés vers la mécanisation, l'automatisation et l'intelligence dans chaque processus. Il garantit la visualisation, la numérisation, l'inspectabilité, la contrôlabilité et les procédures analytiques de la production, ce qui améliore l'efficacité de la production et assure la cohérence de la qualité du produit.

Points clés de la fusion

Pour garantir que le métal est complètement fondu pendant le processus de fusion et contrôler avec précision la température de fusion et la température de coulée pour garantir que le métal est coulé dans la plage de température optimale, utilisez des matières premières qualifiées pour contrôler avec précision le contenu de divers éléments, le dégazage et l'élimination des scories sont bien effectués.

Points clés du versement

Contrôlez strictement la température de coulée, la vitesse de coulée, le volume de coulée, la conception de la porte et de la colonne montante et la vitesse de refroidissement, pour garantir que la qualité et les performances des pièces coulées répondent aux exigences techniques.

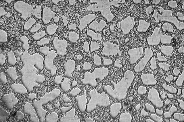
Analyse du contenu chimique

Il existe de grandes différences de composition dues au moulage par différents matériaux et procédés, l'inspection de la composition chimique est nécessaire pour déterminer si les pièces moulées remplissent les propriétés mécaniques.

Dimension

Assurez-vous que ses paramètres de taille répondent aux exigences de conception, telles que la longueur, la largeur, l'épaisseur, etc. Ces paramètres affectent directement la précision de l'installation et l'adaptabilité du moulage pour éviter les problèmes causés par une inadéquation des tailles.

Assemblage

Pré-assemblage de la grille, vérifiez la cohérence de chaque pièce de l'assemblage de la grille, grâce au pré-assemblage, vous pouvez garantir la planéité de la grille, la hauteur et la largeur de l'erreur cumulée, pour trouver et résoudre les problèmes potentiels à l'avance, améliorer l'efficacité et la qualité de l'assemblage sur site.
Se concentrer sur l'industrie métallurgique, vous fournir des services commerciaux techniques à l'échelle mondiale

Liens rapides

Produits

Contactez-nous
ICP备2025196026号-1
Copyright © 2025 XinRuiJi International Trading Co., Ltd. Tous droits réservés.  Plan du site